ZPDA Series
ZPDA Series
ZPDA Series
Features
How to order
Technical parameters
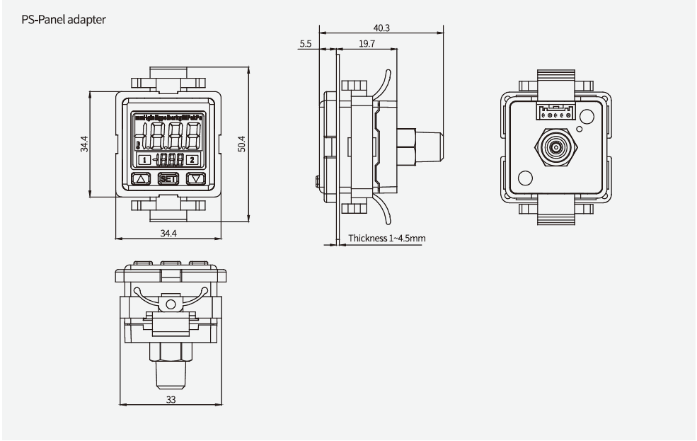
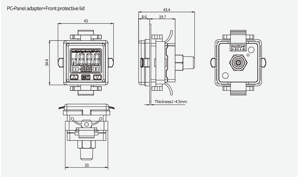
Dimensions (mm)
Download
Back

Features

◇ Compact size and light weight, it can directly connected to air supply port or vacuum port.
◇ The square design is more suitable for panel mounting, and a variety of mounting brackets and panels are available.
◇ Used for condition monitoring of the vacuum system, optimizing the duty cycle and adjusting the system loop.


How to order 
ZPDA - C  NV - G1M - AB
    ①     ②  ③       ④      ⑤
① Series② Pressure range③ Output specification
ZPDA- Compound
V - Vacuum
P - Positive
NV  - 2NPN+1 Analog(Voltage) output (1-5V)
NA  - 2NPN+1 Analog(Current) output (4-20mA)
PV - 2PNP+1 Analog(Voltage) output (1-5V)
PA - 2PNP+1 Analog(Current) output (4-20mA)
④ Connection thread⑤ Accessories
R1M - R1/8 Male thread,M5 Female thread
G1M - G1/8 Male thread,M5 Female thread
Nil -Without accessory
AB - A type mounting bracket
BB - B type mounting bracket
PS - Panel adapter
PC - Panel adapter+front protective lid



Selection
ModelOutput specificationConnection thread
NVNAPVPAR1MG1M
ZPDA-C
ZPDA-V
ZPDA-P

◇Note: "●"- standard, in stock. "○"-selective,no stock.



image.png

image.png

image.png

image.png


image.png

image.png

image.png

image.png

image.png

image.png

image.png

image.png


ZPDA
Download